Компенсаторы сильфонные КСО. Компенсаторы сильфонные СКУ
Компенсаторы сильфонные предназначены для компенсации температурных деформаций участков трубопроводов тепловых сетей.
Сильфонные компенсаторы изготавливаются из тонколистовой рулонной коррозиестойкой нержавеющей стали. Сильфонные компенсаторы имеют небольшие габариты, не требуют наличия специальных камер и обслуживания в течение достаточно длительного срока эксплуатации. Их можно монтировать в любом месте трубопровода. Срок службы сильфонных компенсаторов соответствует сроку службы трубопровода. Сильфонные компенсаторы обеспечивают эффективную и надежную защиту трубопроводов от динамических и статических нагрузок, возникающих при вибрации, гидроударе и деформациях.
Сильфонный компенсатор (сильфонное компенсационное устройство (СКУ)) – это растяжимый стык для трубопроводных систем, применяемый для компенсации температурного расширения трубопроводов, предотвращения разрушения труб при деформации трубопроводов, выравнивания несоосности в трубопроводных системах, возникших вследствие монтажных работ и других целей.
Сильфонные компенсаторы подразделяются на следующие марки - КЛО, КСО, КМД, КМ, КС, КУ, КО, ОПН, ОПГ, СКУ, СКО, СК, ССК, СКТО, СКУО, КЛОС, 1КСО, 2КСО, КП, КД.
Сильфонные компенсаторы применяются в качестве компенсирующих монтажных элементов для поглощения температурных деформаций трубопроводов, транспортирующих горячие и холодные среды, подвижных вводов в напорных резервуарах и т.д.
Сильфон — гибкая гофрированная многослойная оболочка способная совершать значительные перемещения вдоль своей оси, в поперечном и угловом направлениях. Сильфонный компенсатор состоит из сильфона, присоединительной, защитной и ограничительной арматуры. Особенностью сильфона является способность его при действии незначительных усилий и изгибающего момента растягиваться сжиматься, деформироваться в поперечном направлении и изгибаться со значительными перемещениями - до десятков миллиметров и градусов. При этом сильфон сохраняет герметичность. Кроме того СК, СКУ используются также в качестве низкочастотных неопорных связей в условиях динамических нагрузок.
Компенсаторы изготавливаются из различных видов сталей - Ст3сп5, Ст20, 09Г2С, 08Х18Н10Т, 12Х18Н10Т, а также из титана, молибдена и др.
Области применения компенсаторов:
• Нефтяная, газовая и химическая промышленность
• Системы отопления многоэтажных зданий
• Энергетический комплекс
• Судостроение и автомобилестроение
• Автомобилестроение и моторостроение
• Строительство и эксплуатация тепловых сетей
• Военно-промышленный и авиакосмический комплекс
• Атомная промышленность
Преимущества сильфонных компенсаторов:
• Герметичность • Температуростойкость • Относительно малая стоимость • Долговечность • Возможность изготовления по индивидуальному заказу • Многогранность использования (осевые, угловые, сдвиговые, вибрационные) • Не требует обслуживания
Способы присоединения сильфонных компенсаторов к трубопроводу:
Сварной — применяется для жесткой фиксации компенсатора к трубопроводу круглого или иного сечения путем сваривания конца трубопровода с концевыми деталями компенсатора, имеющими одинаковое сечение и толщину стенки. Такой вид закрепления наиболее распространен и обеспечивает надежное герметичное соединение компенсатора.
Фланцевый — применяется для жесткой фиксации компенсатора к ответному фланцу трубопровода. Такой вид закрепления позволяет обеспечить разъемное соединение элементов трубопровода и быструю их замену, но требует контроля межфланцевого уплотнения.
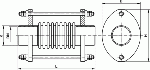
Осевые сильфонные компенсаторы
Осевые сильфонные компенсаторы — воспринимают и компенсируют перемещения вдоль своей оси. Конструкция осевого компенсатора может включать в себя внешний защитный кожух, внутренний направляющий экран, различные виды присоединительной арматуры, ограничители осевого хода, устройства для предварительного натяжения.
Компенсаторы сильфонные осевые КСО
Технические характеристики:
- Условный проход от Ду50 до Ду400 мм
- Условное давление Ру1,0; 1,6; 2,5 МПа
- Компенсирующая способность 25-160 мм
- Температура среды: вода – 150°С при скорости до 8 м/с, пар – 250°С при скорости до 60 м/с

Пример условного обозначения компенсатора сильфонного осевого Ду100 мм, Ру16 кгс/см2, компенсирующая способность (сжатие-растяжение) 50 мм:
КСО 100-16-50.
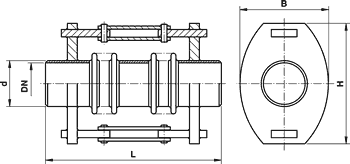
Сдвиговые сильфонные компенсаторы
Сдвиговые компенсаторы — воспринимают и компенсируют поперечные перемещения, сдвиги по отношению к собственной оси, и ограничены от осевого растяжения. В конструкцию сдвигового компенсатора входят ограничительные и направляющие тяги, тросы, опорные фланцы, возможна установка специальных защитных кожухов и направляющих внутренних экранов, для крепления в трубопроводе используются различные виды присоединительной арматуры.
Угловые (поворотные) сильфонные компенсаторы
Угловые (поворотные) сильфонные компенсаторы — воспринимают и компенсируют угловые отклонения оси компенсатора на определенный угол. Конструкция углового компенсатора исключает осевое растяжение или сжатие и сдвиг при помощи специальных ограничительных и направляющих тяг и шарниров. Возможна установка специальных защитных кожухов и внутренних направляющих экранов.
Универсальные сильфонные компенсаторы
Универсальные сильфонные компенсаторы — способны воспринимать комбинацию из нескольких видов перемещений.
УКАЗАНИЯ ПО МОНТАЖУ СИЛЬФОННЫХ КОМПЕНСАТОРОВ
1. Общие указания
1.1. Монтаж компенсаторов производится в соответствии с проектом трубопровода, выполненном проектной организацией. 1.2. Хранить и транспортировать компенсаторы к месту монтажа следует в заводской упаковке, исключая возможность их механического повреждения. Хранить распакованные и расконсервированные компенсаторы на открытых площадках запрещается. 1.3. Перед монтажом компенсаторы должны быть проверены на соответствие их технических характеристик проекту тепловой сети, а также на отсутствие забоин и других повреждений сильфона. 1.4. При перемещении компенсаторов в период монтажа должны быть приняты меры, исключающие повреждение сильфонов и загрязнение внутреннего межгофрового пространства. 1.5. При выполнении сварочных работ должно быть исключено попадание брызг металла на поверхность сильфона, для чего последний должен быть обернут асбестовой тканью. 1.6. При монтаже компенсаторов следует избегать скручивающих и изгибающих относительно продольной оси изделия нагрузок. Не допускается их провисание от собственного веса, нагружение моментами или силами от массы труб, арматуры, механизмов. 1.7. Монтаж компенсаторов разрешается производить при температуре воздуха не ниже минус 30°С. 1.8. До приварки к трубопроводу с присоединительных патрубков компенсатора следует удалить заводской консервант. Консервант может быть удален горячей водой или зачисткой металлической щеткой. 1.9. Перед приваркой компенсатора к трубопроводу проверяются отклонения соединения, которые не должны превышать следующих значений:
- допуск соосности патрубков – 2 мм;
- допуск параллельности торцов патрубков и присоединяемых труб – 3 мм;
- максимальный сварочный зазор патрубком и трубопроводом – 2 мм.
2. Монтаж компенсаторов
2.1. Компенсаторы монтируются на трубопровод с предварительной растяжкой. Длина компенсатора при монтаже L монт, мм, определяется по формуле:

где L стр – строительная длина компенсатора в состоянии поставки, мм.
- компенсирующая способность, мм. а – коэффициент линейного расширения трубной стали, принимаемый 0,012 мм/м °С; t монт – температура воздуха при монтаже, °С; t наим– наименьшая температура воздуха при эксплуатации, °С; L – длина участка компенсатора между неподвижными опорами, на котором монтируется компенсатор, м.
Установку монтажной длины компенсатора производит монтажная организация.
2.2. Монтаж компенсаторов рекомендуется производить в следующей последовательности (рисунок 1):
- участки трубопровода до и после компенсатора должны быть смонтированы и закреплены в неподвижных опорах ОН–1 и ОН–2 таким образом, чтобы расстояние между концами труб в месте установки компенсатора соответствовало монтажной длине компенсатора L монт, при температуре окружающего воздуха момента закреплений трубопровода ко второй неподвижной опоре; температура окружающего воздуха и расстояние между концами закрепленных труб должны быть зафиксированы актом;
- компенсатор приваривается к одному из участков трубопровода. Для удобства выполнения сварочных работ следует снять крепление и сдвинуть кожух компенсатора;
- на свободный патрубок компенсатора и свободный конец трубопровода устанавливается универсальное монтажное приспособление, с помощью которого компенсатор растягивают до стыка с трубопроводом и стык заваривают;
- с компенсатора снимается монтажное приспособление.
2.3. после проведения гидравлических испытаний трубопроводов на компенсаторы должны быть установлены кожухи и поверх кожухов нанесена тепловая изоляция, конструкция и габариты которой не должны препятствовать свободному растяжению – сжатию сильфона на величину компенсирующей способности. 2.4. При обнаружении негерметичности компенсатора в процессе испытаний он демонтируется и заменяется новым, о чем составляется акт. 2.5. Если после гидравлических испытаний будет установлено, что длина компенсатора увеличилась более чем на 15% по сравнению с величиной , что свидетельствует о смещении неподвижных опор, необходимо произвести ревизию опорных конструкций, а компенсатор заменить на новый, о чем составляется акт.

Рисунок 1.Схема монтажа компенсаторов (цифрами обозначена последовательность выполнения монтажных операций)
УКАЗАНИЯ ПО ЭКСПЛУАТАЦИИ (ПРИМЕНЕНИЮ)
1. Компенсаторы допускается применять в районах строительства с расчетной наружной температурой для проектирования систем отопления не ниже минус 40° С. Сейсмичность районов строительства – до девяти баллов включительно.
2. Компенсаторы допускается применять при содержании хлоридов в сетевой воде не более 200 мг/кг.
3. Компенсаторы должны устанавливаться только на прямолинейных участках трубопроводов, ограниченных неподвижными опорами. Между неподвижными опорами допускается размещать только один компенсатор.
4. Способ присоединения компенсатора к трубопроводу – сварка.
5. При любых способах прокладки трубопроводов, кроме подземного бесканального, установку компенсаторов следует предусматривать, как правило, у одной из неподвижных опор.
6. На бесканальных подземных тепловых сетях размещение компенсатора должно осуществляться в середине участка трубопровода, ограниченного неподвижными опорами.
7. До и после компенсатора необходимо устанавливать направляющие опоры, исключающие перемещение трубопровода в радиальном направлении. При бесканальной прокладке трубопроводов установка направляющих опор не требуется. Расстояние от торца патрубка компенсатора до опоры должно быть не более 1.5 Ду. Примеры схем размещения компенсаторов, направляющих и неподвижных опор приведены на рисунке 2.

Рисунок 2. Схемы размещения компенсаторов и опор на трубопроводах
8. На участках трубопроводов с сильфонными компенсаторами не допускается применение подвесных опор.
9. При выборе неподвижных опор должны учитываться следующие факторы:
- распорное усилие компенсатора;
- усилие жесткости компенсатора;
- трение в направляющих и скользящих опорах;
- величина центробежной силы, возникающей в перегибе трубопровода.
Расчет нагрузок на концевые и промежуточные неподвижные опоры при различных способах установки компенсаторов выполняется на этапе проектирования тепловой сети и приводится в специальной литературе.
10. Чтобы исключить появление несоосности патрубков компенсатора при эксплуатации трубопровода, компенсаторы следует располагать между опорами, имеющими одинаковую осадку в грунте.
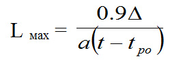
11. Максимальное расстояние между неподвижными опорами труб определяется по формуле

где 0.9 – коэффициент запаса, учитывающий неточности расчета и погрешности монтажа;
– компенсирующая способность компенсатора, мм. a – средний коэффициент линейного расширения трубной стали при нагреве от 0° С до t° C, мм/м ° С; t – расчетная температура сетевой воды в подающем трубопроводе, ° С; tpo – расчетная температура наружного воздуха для проектирования систем отопления, принимаемая равной средней температуре воздуха наиболее холодной пятидневки по главе СНиП «Строительная климатология и геофизика», ° С.
12. Компенсаторы не требуют обслуживания в процессе эксплуатации и относятся к классу неремонтируемых изделий, поэтому для них не требуется сооружения специальных камер, а при надземной прокладке – площадок для обслуживания.
13. Компенсаторы, как и весь трубопровод, подлежат теплоизоляции, которая должна устанавливаться на защитный кожух. Установка теплоизоляции на гофры сильфонов компенсаторов не допускается.
|