ООО «ПТЭ-87»
промышленная теплоэнергетика -
поставка оборудования

+7 (4872) 25-13-92, +7 (910) 157-94-95
300012, г. Тула, улица Рязанская, д. 38, офис 406
ПТЭ-87 - Главная » Каталог продукции

Промышленная теплоэнергетика - поставка оборудования

На данный момент, благодаря 20-летнему опыту работы в энергетике, наши специалисты имеют возможность в кооперации с ведущими литейными и металлообрабатывающими предприятиями Тульской области изготовить и поставить Вам широкий спектр котельного оборудования, оборудования для теплоэнергетики, трубопроводного и котельно-вспомогательного оборудования, а также нестандартного оборудования по чертежам Заказчика.

Компенсаторы линзовые

Компенсаторы линзовые: Круглые ПГВУ/ОСТ, Прямоугольные ПГВУ, Угловые ОСТ

Линзовые компенсаторы предназначены для компенсации температурных удлинений круглых и прямоугольных газовоздуховодов (ПГВУ) и круглых трубопроводов вода-пар (ОСТ) тепловых электростанций и других предприятий-потребителей. Работают в условиях неагрессивных и малоагрессивных сред, включая трубопроводы, на которые распространяются "Правила пара и горячей воды".

Компенсаторы сальниковые

Компенсаторы сальниковые односторонние, Компенсаторы сальниковые двусторонние

Сальниковые компенсаторы предназначены для компенсации термических деформаций трубопроводов на тепловых сетях.

Компенсаторы сильфонные КСО

Компенсаторы сильфонные КСО. Компенсаторы сильфонные СКУ

Компенсаторы сильфонные предназначены для компенсации температурных деформаций участков трубопроводов тепловых сетей.

Сильфонные компенсаторы изготавливаются из тонколистовой рулонной коррозиестойкой нержавеющей стали. Сильфонные компенсаторы имеют небольшие габариты, не требуют наличия специальных камер и обслуживания в течение достаточно длительного срока эксплуатации. Их можно монтировать в любом месте трубопровода. Срок службы сильфонных компенсаторов соответствует сроку службы трубопровода. Сильфонные компенсаторы обеспечивают эффективную и надежную защиту трубопроводов от динамических и статических нагрузок, возникающих при вибрации, гидроударе и деформациях.

Клапаны взрывные

Клапаны взрывные предохранительные ПГВУ 091-80

Клапаны взрывные предохранительные служат для предотвращения разрушения энергетических установок в случае взрыва горючих газов, угольной пыли и др. Представляет собой отверстие (окно) во взрывоопасных элементах энергетических установок, закрытое дверцами или материалами (асбестовое полотно и др.), легко разрушающимися во время взрыва. Взрывной клапан, соединенный с отводами для газов, предохраняет персонал от ожогов. Взрывными клапанами оборудуются топочные камеры, газоходы паровых котлов и печей, системы пылеприготовления котельных установок, работающих как под разряжением, так и при избыточном давлении.

Клапаны газоплотные

Клапаны газоплотные ПГВУ

Клапаны газоплотные ПГВУ предназначены для регулирования подачи и отключения рабочей среды в трактах пылегазовоздухопроводов с температурой Т=425°С и давлением Р=0.004 МПа. Изготавливаются в соответствии с ТУ 34-10-10633-95.

Отводы

Отводы крутоизогнутые, Отводы сварные секторные

Компания реализует следующие типы отводов: отводы крутоизогнутые ГОСТ 17375-01, отводы крутоизогнутые ГОСТ 30753-01, отводы крутоизогнутые ОСТ 34-10-418-90, отводы крутоизогнутые ОСТ 34.10.699-97, отводы сварные секторные ОСТ 34-10-752-97.

Переходы

Переходы концентрические, Переходы сварные листовые

Типы переходов: переходы концентрические ГОСТ 17378-2001, переходы концентрические ОСТ 34-10-422-90, переходы концентрические ОСТ 34-10-700-97, переходы сварные листовые ОСТ 34-10-753-92.

Тройники

Тройники сварные, Тройники штампованные

Компания поставляет следующие типы тройников: тройники сварные равнопроходные ОСТ 36-10-762-97, тройники сварные с накладками ОСТ 34-10-763-97, тройники сварные переходные ОСТ 34-10-764-97, тройники штампованные бесшовные ГОСТ 17376-2001.

Опоры трубопроводов

Опоры трубопроводов

Опоры предназначены для крепления стационарных трубопроводов, восприятия нагрузок и компенсаций от тепловых расширений трубопроводов. Типы опор трубопроводов: опоры скользящие, опоры скользящие диэлектрические, катковые опоры, опоры для трубопроводов в ППУ изоляции, опоры неподвижные.

Подвески трубопроводов

Подвески трубопроводов

Подвески предназначены для крепления стационарных трубопроводов, восприятия нагрузок и компенсаций от тепловых расширений трубопроводов. Компания поставляет следующие типы подвесок трубопроводов: подвески хомутовые, подвески приварные, подвески пружинные.

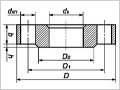
Фланцы плоские

Фланцы стальные плоские приварные ГОСТ 12820-80

Фланцы плоские представляют собой соединительную часть арматуры, трубопроводов, валов и т. п., которая состоит из диска с отверстиями для болтов. Фланцы плоские представляются наиболее часто применяемым соединительным элементом трубопроводов. Они предназначены для герметичного соединения отдельных частей трубопровода разных давлений. Фланцы плоские при монтаже устанавливают на трубу и обваривают по окружности.

Настоящий стандарт распространяется на стальные плоские приварные фланцы трубопроводов и соединительных частей, а также на присоединительные фланцы арматуры, соединительных частей машин, приборов, патрубков, аппаратов и резервуаров.

Фланцы воротниковые

Фланцы стальные приварные встык ГОСТ 12821-80 (воротниковые)

Фланцы воротниковые представляют собой соединительную часть арматуры, трубопроводов, сосудов, валов, приборов, резервуаров и т. п., которая состоит из диска с отверстиями для болтов и аксиально симметричным выступом и имеет форму усеченного конуса для приварки встык. Воротниковые, наряду с плоскими являются одними из часто применяемых соединительных элементов трубопроводной системы. Фланцы воротниковые предназначены для плотного и герметичного соединения отдельных частей трубопроводов высоких давлений, а также для подведения трубопроводов к сосудам, резервуарам или аппаратам.

Настоящий стандарт распространяется на стальные приварные фланцы воротниковые трубопроводов и соединительных частей, а также на присоединительные фланцы арматуры, соединительных частей машин, приборов, патрубков, аппаратов и резервуаров.

Сильфонные компенсирующие устройства

Сильфонные компенсирующие устройства

ООО «ПТЭ-87» имеет возможность поставить узлы СКУ с ППУ и ППМ изоляцией в ПЭ (полиэтилен) или ОЦ (оцинкованная сталь) оболочке. Продукция сертифицирована.

Фланцы круглые ПГВУ 094-80

Фланцы круглые ПГВУ 094-80

Фланцы круглые ПГВУ являются унифицированными элементами пылегазовоздухопроводов. Применяются для монтажа круглых газоплотных клапанов на пылегазовоздухопроводах. Фланцы ПГВУ изготавливаются согласно нормативной документации ПГВУ 094-80 и ТУ 34.42.5319-76.