Фланцы стальные плоские приварные ГОСТ 12820-80
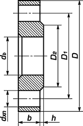
Фланцы плоские представляют собой соединительную часть арматуры, трубопроводов, валов и т. п., которая состоит из диска с отверстиями для болтов.
Фланцы плоские представляются наиболее часто применяемым соединительным элементом трубопроводов. Они предназначены для герметичного соединения отдельных частей трубопровода разных давлений.
Фланцы плоские при монтаже устанавливают на трубу и обваривают по окружности.
Настоящий стандарт распространяется на стальные плоские приварные фланцы трубопроводов и соединительных частей, а также на присоединительные фланцы арматуры, соединительных частей машин, приборов, патрубков, аппаратов и резервуаров.
Фланцы плоские. Технические характеристики:
Ру от 0,1 до 2,5 МПа (от 1 до 25 кгс/см2), температура среды от минус 70°С до плюс 300°С.
Материалы изготовления фланцев:
стали марки Ст3сп не ниже 2-й категории по ГОСТ 380-94; 20, 25 по ГОСТ 1050-88; 09Г2С по ГОСТ 19281-89; 10Г2 по ГОСТ 4543-71; 15Х5М по ГОСТ 4543-71; 12Х18Н9Т по ГОСТ 7769-82.
Температура применения деталей фланцев, изготовленных из стали марки Ст3сп, 20, 25 – от минус 30°С до плюс 300°С; 09Г2С, 10Г2 – минус 70°С до плюс 300°С; 15Х5М, 12Х18Н9Т – от минус 40°С до плюс 300°С.
Фланцы плоские должны изготовляться с уплотнительными поверхностями исполнений 1, 2, 3 и присоединительными размерами по ГОСТ 12815-80. Допускается изготовление фланцев с уплотнительными поверхностями исполнений 4, 5, 8 и 9.
Технические требования, материал фланцев, крепежных деталей и прокладок, а также маркировка, упаковка, транспортирование – по ГОСТ 12816-80.
Примечание: ГОСТ 12820-80 введен взамен ГОСТ 1255-67, ГОСТ 9938-62, ГОСТ 12827-67 и ГОСТ 12828-67.
| Обозначение изделия |
Условное давление Ру, |
Размеры, мм |
n, к-во отв., |
Масса, кг |
| МПа (кгс/см2) |
d1 |
b |
h4 |
Dm |
Dn |
шт |
| 1 - 15 - 6 |
0,6 (6) |
12 |
10 |
28 |
28 |
19 |
4 |
0.40 |
| 1 - 20 -
6 |
0,6 (6) |
18 |
10 |
30 |
36 |
26 |
4 |
0.53 |
| 1 - 25 -
6 |
0,6 (6) |
25 |
12 |
30 |
42 |
33 |
4 |
0.76 |
| 1 - 32 -
6 |
0,6 (6) |
31 |
12 |
33 |
50 |
39 |
4 |
1.10 |
| 1 - 40 -
6 |
0,6 (6) |
38 |
12 |
35 |
60 |
46 |
4 |
1.36 |
| 1 - 50 -
6 |
0,6 (6) |
49 |
12 |
35 |
70 |
58 |
4 |
1.53 |
| 1 - 65 -
6 |
0,6 (6) |
66 |
12 |
35 |
88 |
77 |
4 |
1.97 |
| 1 - 80 -
6 |
0,6 (6) |
78 |
13 |
37 |
102 |
90 |
4 |
2.76 |
| 1 - 100 -
6 |
0,6 (6) |
96 |
13 |
38 |
122 |
110 |
4 |
3.35 |
| 1 - 125 -
6 |
0,6 (6) |
121 |
15 |
40 |
148 |
135 |
8 |
4.66 |
| 1 - 150 -
6 |
0,6 (6) |
146 |
15 |
43 |
172 |
161 |
8 |
5.37 |
| 1 - 200 -
6 |
0,6 (6) |
202 |
17 |
50 |
235 |
222 |
8 |
8.37 |
| 1 - 250 -
6 |
0,6 (6) |
254 |
18 |
50 |
288 |
278 |
12 |
10.99 |
| 1 - 300 -
6 |
0,6 (6) |
303 |
18 |
50 |
340 |
330 |
12 |
14.82 |
| 1 - 350 -
6 |
0,6 (6) |
351 |
18 |
50 |
390 |
382 |
12 |
17.69 |
| 1 - 400 -
6 |
0,6 (6) |
398 |
18 |
50 |
440 |
432 |
16 |
20.55 |
| 1 - 500 -
6 |
0,6 (6) |
501 |
19 |
50 |
545 |
535 |
16 |
26.63 |
| 1 - 600 -
6 |
0,6 (6) |
602 |
19 |
55 |
650 |
636 |
20 |
35.79 |
| 1 - 800 -
6 |
0,6 (6) |
792 |
19 |
60 |
844 |
826 |
24 |
56.17 |
| 1 - 15 -
10 |
1,0 (10) |
12 |
10 |
33 |
30 |
19 |
4 |
0.58 |
| 1 - 20 -
10 |
1,0 (10) |
18 |
12 |
36 |
28 |
26 |
4 |
0.87 |
| 1 - 25 -
10 |
1,0 (10) |
25 |
12 |
38 |
45 |
33 |
4 |
1.05 |
| 1 - 32 -
10 |
1,0 (10) |
31 |
13 |
40 |
55 |
39 |
4 |
1.54 |
| 1 - 40 -
10 |
1,0 (10) |
38 |
13 |
42 |
62 |
46 |
4 |
1.83 |
| 1 - 50 -
10 |
1,0 (10) |
49 |
13 |
42 |
76 |
58 |
4 |
2.26 |
| 1 - 65 -
10 |
1,0 (10) |
66 |
15 |
45 |
94 |
77 |
4 |
3.17 |
| 1 - 80 -
10 |
1,0 (10) |
78 |
15 |
47 |
105 |
90 |
4 |
3.67 |
| 1 - 100 -
10 |
1,0 (10) |
96 |
17 |
48 |
128 |
110 |
8 |
4.70 |
| 1 - 125 -
10 |
1,0 (10) |
121 |
19 |
57 |
156 |
135 |
8 |
6.71 |
| 1 - 150 -
10 |
1,0 (10) |
146 |
19 |
57 |
180 |
161 |
8 |
8.17 |
| 1 - 200 -
10 |
1,0 (10) |
202 |
19 |
58 |
240 |
222 |
8 |
11.35 |
| 1 - 250 -
10 |
1,0 (10) |
254 |
21 |
60 |
290 |
278 |
12 |
14.64 |
| 1 - 300 -
10 |
1,0 (10) |
303 |
22 |
60 |
345 |
330 |
12 |
18.66 |
| 1 - 350 -
10 |
1,0 (10) |
351 |
22 |
60 |
400 |
382 |
16 |
24.00 |
| 1 - 400 -
10 |
1,0 (10) |
398 |
22 |
60 |
445 |
432 |
16 |
30.00 |
| 1 - 500 -
10 |
1,0 (10) |
501 |
24 |
65 |
550 |
535 |
20 |
39.20 |
| 1 - 600 -
10 |
1,0 (10) |
602 |
24 |
65 |
650 |
636 |
20 |
48.80 |
| 1 - 700 -
10 |
1,0 (10) |
692 |
25 |
65 |
744 |
726 |
24 |
65.26 |
| 1 - 800 -
10 |
1,0 (10) |
792 |
27 |
75 |
850 |
826 |
24 |
87.24 |
| 1 - 15 -
16 |
1,6 (16) |
12 |
12 |
33 |
30 |
19 |
4 |
0.68 |
| 1 - 20 -
16 |
1,6 (16) |
18 |
12 |
36 |
38 |
26 |
4 |
0.87 |
| 1 - 25 -
16 |
1,6 (16) |
25 |
12 |
38 |
45 |
33 |
4 |
1.05 |
| 1 - 32 -
16 |
1,6 (16) |
31 |
13 |
40 |
55 |
39 |
4 |
1.54 |
| 1 - 40 -
16 |
1,6 (16) |
38 |
13 |
42 |
64 |
46 |
4 |
1.85 |
| 1 - 50 -
16 |
1,6 (16) |
49 |
13 |
45 |
76 |
58 |
4 |
2.28 |
| 1 - 65 -
16 |
1,6 (16) |
66 |
15 |
47 |
94 |
77 |
4 |
3.19 |
| 1 - 80 -
16 |
1,6 (16) |
78 |
17 |
50 |
110 |
90 |
4 |
4.21 |
| 1 - 100 -
16 |
1,6 (16) |
96 |
17 |
50 |
130 |
110 |
8 |
4.90 |
| 1 - 125 -
16 |
1,6 (16) |
121 |
19 |
57 |
156 |
135 |
8 |
6.75 |
| 1 - 150 -
16 |
1,6 (16) |
146 |
19 |
57 |
180 |
161 |
8 |
8.30 |
| 1 - 200 -
16 |
1,6 (16) |
202 |
21 |
58 |
240 |
222 |
12 |
11.79 |
| 1 - 250 -
16 |
1,6 (16) |
254 |
23 |
65 |
292 |
278 |
12 |
17.36 |
| 1 - 300 -
16 |
1,6 (16) |
303 |
24 |
66 |
346 |
330 |
12 |
22.76 |
| 1 - 350 -
16 |
1,6 (16) |
351 |
28 |
70 |
400 |
382 |
16 |
32.04 |
| 1 - 400 -
16 |
1,6 (16) |
398 |
32 |
75 |
450 |
432 |
16 |
43.00 |
| 1 - 500 -
16 |
1,6 (16) |
501 |
38 |
90 |
559 |
535 |
20 |
70.97 |
| 1 - 600 -
16 |
1,6 (16) |
602 |
41 |
90 |
660 |
636 |
20 |
99.30 |
| 1 - 700 -
16 |
1,6 (16) |
692 |
43 |
95 |
750 |
726 |
24 |
105.90 |
| 1 - 800 -
16 |
1,6 (16) |
792 |
45 |
95 |
850 |
826 |
24 |
130.57 |
| 1 - 15 -
25 |
2,5 (25) |
12 |
14 |
33 |
30 |
19 |
4 |
0.79 |
| 1 - 20 -
25 |
2,5 (25) |
18 |
14 |
34 |
38 |
26 |
4 |
0.97 |
| 1 - 25 -
25 |
2,5 (25) |
25 |
14 |
36 |
45 |
33 |
4 |
1.18 |
| 1 - 32 -
25 |
2,5 (25) |
31 |
16 |
43 |
56 |
39 |
4 |
1.83 |
| 1 - 40 -
25 |
2,5 (25) |
38 |
16 |
45 |
64 |
46 |
4 |
2.19 |
| 1 - 50 -
25 |
2,5 (25) |
49 |
17 |
45 |
76 |
58 |
4 |
2.78 |
| 1 - 65 -
25 |
2,5 (25) |
66 |
19 |
50 |
96 |
77 |
8 |
3.71 |
| 1 - 80 -
25 |
2,5 (25) |
78 |
19 |
52 |
110 |
90 |
8 |
4.44 |
| 1 - 100 -
25 |
2,5 (25) |
96 |
21 |
58 |
132 |
110 |
8 |
6.51 |
| 1 - 125 -
25 |
2,5 (25) |
121 |
23 |
65 |
160 |
135 |
8 |
9.41 |
| 1 - 150 -
25 |
2,5 (25) |
146 |
25 |
68 |
186 |
161 |
8 |
12.52 |
| 1 - 200 -
25 |
2,5 (25) |
202 |
27 |
75 |
245 |
222 |
12 |
17.44 |
| 1 - 250 -
25 |
2,5 (25) |
254 |
29 |
75 |
300 |
278 |
12 |
24.40 |
| 1 - 300 -
25 |
2,5 (25) |
303 |
32 |
80 |
352 |
330 |
16 |
33.29 |
| 1 - 350 -
25 |
2,5 (25) |
351 |
36 |
85 |
406 |
382 |
16 |
46.57 |
| 1 - 400 -
25 |
2,5 (25) |
398 |
40 |
100 |
464 |
432 |
16 |
64.81 |
| 1 - 500 -
25 |
2,5 (25) |
500 |
44 |
100 |
570 |
535 |
20 |
88.91 |
| 1 - 600 -
25 |
2,5 (25) |
600 |
49 |
115 |
670 |
636 |
20 |
123.70 |
| 1 - 700 -
25 |
2,5 (25) |
690 |
53 |
125 |
766 |
726 |
24 |
166.81 |
| 1 - 800 -
25 |
2,5 (25) |
790 |
55 |
135 |
874 |
826 |
24 |
213.90 |
| 1 - 15 -
40 |
4,0 (40) |
12 |
14 |
33 |
30 |
19 |
4 |
0.79 |
| 1 - 20 -
40 |
4,0 (40) |
18 |
14 |
34 |
38 |
26 |
4 |
0.97 |
| 1 - 25 -
40 |
4,0 (40) |
25 |
14 |
36 |
45 |
33 |
4 |
1.18 |
| 1 - 32 -
40 |
4,0 (40) |
31 |
16 |
43 |
56 |
39 |
4 |
1.83 |
| 1 - 40 -
40 |
4,0 (40) |
38 |
16 |
45 |
64 |
46 |
4 |
2.19 |
| 1 - 50 -
40 |
4,0 (40) |
48 |
17 |
45 |
76 |
58 |
4 |
2.81 |
| 1 - 65 -
40 |
4,0 (40) |
66 |
19 |
50 |
96 |
77 |
8 |
3.71 |
| 1 - 80 -
40 |
4,0 (40) |
78 |
21 |
55 |
112 |
90 |
8 |
4.80 |
| 1 - 100 -
40 |
4,0 (40) |
96 |
23 |
65 |
138 |
110 |
8 |
7.40 |
| 1 - 125 -
40 |
4,0 (40) |
120 |
25 |
65 |
160 |
135 |
8 |
10.00 |
| 1 - 150 -
40 |
4,0 (40) |
145 |
27 |
68 |
186 |
161 |
8 |
13.03 |
| 1 - 200 -
40 |
4,0 (40) |
200 |
35 |
85 |
250 |
222 |
12 |
24.44 |
| 1 - 250 -
40 |
4,0 (40) |
252 |
39 |
98 |
310 |
278 |
12 |
37.59 |
| 1 - 300 -
40 |
4,0 (40) |
301 |
42 |
112 |
368 |
330 |
16 |
57.10 |
| 1 - 350 -
40 |
4,0 (40) |
351 |
48 |
116 |
481 |
382 |
16 |
70.34 |
| 1 - 400 -
40 |
4,0 (40) |
398 |
54 |
135 |
480 |
432 |
16 |
106.76 |
| 1 - 500 -
40 |
4,0 (40) |
495 |
58 |
140 |
580 |
535 |
20 |
132.33 |
| 1 - 600 -
40 |
4,0 (40) |
595 |
58 |
140 |
686 |
636 |
20 |
180.95 |
| 1 - 700 -
40 |
4,0 (40) |
695 |
63 |
160 |
790 |
726 |
24 |
228.25 |
| 1 - 800 -
40 |
4,0 (40) |
795 |
71 |
190 |
908 |
826 |
24 |
343.69 |
| 1 - 15 -
63 |
6,3 (63) |
12 |
16 |
46 |
38 |
19 |
4 |
1.15 |
| 1 - 20 -
63 |
6,3 (63) |
18 |
18 |
54 |
48 |
62 |
4 |
1.80 |
| 1 - 25 -
63 |
6,3 (63) |
25 |
20 |
56 |
52 |
33 |
4 |
2.30 |
| 1 - 32 -
63 |
6,3 (63) |
31 |
21 |
60 |
64 |
39 |
4 |
2.94 |
| 1 - 40 -
63 |
6,3 (63) |
37 |
21 |
65 |
74 |
46 |
4 |
3.75 |
| 1 - 50 -
63 |
6,3 (63) |
47 |
23 |
67 |
86 |
58 |
4 |
4.63 |
| 1 - 65 -
63 |
6,3 (63) |
64 |
25 |
72 |
106 |
77 |
8 |
6.29 |
| 1 - 80 -
63 |
6,3 (63) |
77 |
27 |
72 |
120 |
90 |
8 |
7.22 |
| 1 - 100 -
63 |
6,3 (63) |
94 |
29 |
77 |
140 |
110 |
8 |
10.71 |
| 1 - 125 -
63 |
6,3 (63) |
118 |
33 |
95 |
172 |
135 |
8 |
17.13 |
| 1 - 150 -
63 |
6,3 (63) |
142 |
35 |
105 |
206 |
161 |
8 |
24.60 |
| 1 - 200 -
63 |
6,3 (63) |
198 |
41 |
110 |
264 |
222 |
12 |
36.60 |
| 1 - 250 -
63 |
6,3 (63) |
246 |
45 |
115 |
316 |
278 |
12 |
50.89 |
| 1 - 300 -
63 |
6,3 (63) |
294 |
50 |
120 |
370 |
330 |
16 |
68.15 |
| 1 - 350 -
63 |
6,3 (63) |
342 |
56 |
140 |
430 |
382 |
16 |
98.68 |
| 1 - 400 -
63 |
6,3 (63) |
386 |
62 |
155 |
484 |
432 |
16 |
135.80 |
| 1 - 500 -
63 |
6,3 (63) |
485 |
66 |
165 |
594 |
535 |
20 |
192.74 |
| 1 - 600 -
63 |
6,3 (63) |
585 |
71 |
180 |
704 |
636 |
20 |
269.27 |
| 1 - 700 -
63 |
6,3 (63) |
685 |
76 |
225 |
820 |
726 |
24 |
300.86 |
| 1 - 800 -
63 |
6,3 (63) |
785 |
85 |
225 |
920 |
826 |
24 |
463.87 |
| 1 - 15 -
100 |
10,0
(100) |
12 |
18 |
46 |
38 |
19 |
4 |
1.26 |
| 1 - 20 -
100 |
10,0
(100) |
18 |
20 |
51 |
48 |
26 |
4 |
1.98 |
| 1 - 25 -
100 |
10,0
(100) |
25 |
22 |
56 |
52 |
33 |
4 |
2.48 |
| 1 - 32 -
100 |
10,0
(100) |
31 |
22 |
60 |
64 |
39 |
4 |
3.05 |
| 1 - 40 -
100 |
10,0
(100) |
37 |
23 |
67 |
76 |
46 |
4 |
4.06 |
| 1 - 50 -
100 |
10,0
(100) |
45 |
25 |
68 |
86 |
58 |
4 |
6.03 |
| 1 - 65 -
100 |
10,0
(100) |
62 |
29 |
80 |
110 |
77 |
8 |
8.52 |
| 1 - 80 -
100 |
10,0
(100) |
75 |
31 |
87 |
124 |
90 |
8 |
9.91 |
| 1 - 100 -
100 |
10,0
(100) |
92 |
35 |
97 |
146 |
110 |
8 |
14.65 |
| 1 - 125 -
100 |
10,0
(100) |
112 |
39 |
112 |
180 |
135 |
8 |
23.32 |
| 1 - 150 -
100 |
10,0
(100) |
136 |
43 |
125 |
214 |
161 |
12 |
32.87 |
| 1 - 200 -
100 |
10,0
(100) |
190 |
51 |
140 |
276 |
222 |
12 |
54.24 |
| 1 - 250 -
100 |
10,0
(100) |
236 |
57 |
160 |
340 |
278 |
12 |
85.24 |
| 1 - 300 -
100 |
10,0
(100) |
248 |
66 |
180 |
400 |
330 |
16 |
127.78 |
| 1 - 350 -
100 |
10,0
(100) |
332 |
72 |
195 |
460 |
382 |
16 |
170.94 |
| 1 - 400 -
100 |
10,0
(100) |
376 |
76 |
200 |
510 |
432 |
16 |
216.86 |
|