ООО «ПТЭ-87»
промышленная теплоэнергетика -
поставка оборудования

+7 (4872) 25-13-92, +7 (910) 157-94-95
300012, г. Тула, улица Рязанская, д. 38, офис 406
ПТЭ-87 - Главная » Компенсаторы сальниковые

Компенсаторы сальниковые односторонние, Компенсаторы сальниковые двусторонние

Сальниковые компенсаторы предназначены для компенсации термических деформаций трубопроводов на тепловых сетях.

Большинство типоразмеров односторонних сальниковых компенсаторов имеется в наличии!

Компенсатор сальниковыйСальниковые компенсаторы разработаны для трубопроводов водяных и паровых тепловых сетей и предназначены для компенсации термических деформаций с параметрами воды и пара до Рраб от 1,6 до 2,5 МПа при температуре воды до +200ºС и при температуре пара до +300ºС. Компенсаторы сальниковые допускается применять в районах строительства тепловых сетей с расчетной температурой наружного воздуха для проектирования отопления не ниже -40°С.

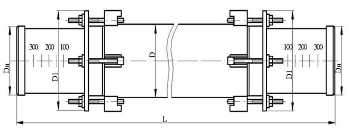
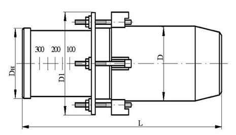
Сальниковый компенсатор по своей конструкции бывает односторонним и двухсторонним, состоит из корпуса и подвижного стакана. Сальниковые компенсаторы изготавливаются из толстостенных стальных труб или свариваются из листовой стали по типовым деталям в соответствии с альбомами серии 4-903-10 выпуск 7, а также 5-903-13 выпуск 4. В качестве сальниковой набивки применяется набивка марок АПП и ПА по ГОСТ 5152-77 и термостойкая резина марки 5168, группы 8 по ТУМХП № 1169-51р.

Односторонние сальниковые компенсаторы предназначаются для компенсации тепловых расширений трубопроводов водяных и паровых тепловых сетей.

Односторонние сальниковые компенсаторы имеют условные проходы от Ду 100 до Ду 1400мм, двухсторонние сальниковые компенсаторы - от Ду 100 до Ду 800мм.

Компенсирующая способность для односторонних компенсаторов составляет от 200 до 500 мм, для двухсторонних от 200 до 1000 мм.

Материально, в зависимости от климатических районов строительства трубопроводов и их эксплуатации, согласно ГОСТ15150-69, сальниковые компенсаторы изготавливаются из сталей Ст3сп5, Ст20, 09Г2С.

Компенсаторы сальниковые имеют преимущество, которое заключается в большой компенсирующей способности по сравнению с остальными типами компенсаторов.


 

Односторонние сальниковые компенсаторы

Компенсатор сальниковый односторонний

Пример условного обозначения одностороннего сальникового компенсатора Dy 500 мм, Ру 16 кгс/см.2, компенсирующая способность 300 мм:

Компенсатор сальниковый 500-16-Т1.17 (300).

 

 

 

 

 


 

Двусторонние сальниковые компенсаторы

Компенсатор сальниковый двусторонний

 

 

 

 

 

 

 

Пример условного обозначения двустороннего сальникового компенсатора Dy 500 мм, Ру 25 кгс/см.2, компенсирующая способность 2х500 мм:

Компенсатор сальниковый 500-25-Т1.76 (2х500).


 

Рекомендации по подбору и установке сальниковой набивки в сальниковые компенсаторы.

                    Уважаемые Заказчики!


  Наша компания поставляет сальниковые компенсаторы без сальниковой набивки, т.к. большинство монтажных организаций имеет практику предварительной частичной разборки компенсатора, осмотра и последующего монтажа в тепловую сеть.
  Для облегчения проведения работ по монтажу сальниковых компенсаторов, мы предлагаем некоторые рекомендации по подбору и установке сальниковой набивки в компенсаторы.
  Набивка сальниковая асбестовая, плетенная, пропитанная жировым антифрикционным составом на основе нефтяных экстрактов, графитированная АП по ГОСТ 5152-84 , графитовая набивка марки НГ-200 (НГ-Н), углеродная набивка марки НУ-201(УНФ) применяются для заполнения сальниковых камер с целью герметизации подвижных и неподвижных соединений различных машин и аппаратов, уплотнения валов насосов, штока арматуры, уплотнения сальниковых компенсаторов трубопроводов тепловых сетей (нейтральные и агрессивные жидкие и газообразные среды, пар, нефтепродукты). Температура среды -70...+300 *С.
1. ОБЩИЕ УКАЗАНИЯ
1.1. Настоящая инструкция распространяется на графитовые набивки марки НГ-200 (НГ-Н) и на углеродные набивки марки НУ-201 (УНФ) и др., предназначенные для герметизации сальниковых компенсаторов трубопроводов с нефтью, продуктами ее переработки, паром, водой и другими средами за исключением сильных окислителей при давлении до 4,0 МПа в 
интервале температур от минус 60 °С до плюс 280 °С.
2. УКАЗАНИЕ МЕР БЕЗОПАСНОСТИ.
2.1. К работе по установке сальниковых уплотнений из набивки допускаются работники, изучившие инструкцию по монтажу.
3. ПОДГОТОВКА К СБОРКЕ САЛЬНИКОВОГО УЗЛА.
3.1. Перед установкой набивки очистить сальниковую камеру от грязи и старой набивки.
3.2. Проверить уплотняемые поверхности. Не допускаются царапины вдоль оси компенсатора глубиной более 0,5 мм. При наличии ржавчины зачистить поверхность мелкой наждачной бумагой.
4. ПОДГОТОВКА НАБИВОК К МОНТАЖУ В САЛЬНИКОВЫЙ УЗЕЛ.
 
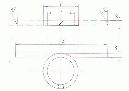
4.1. Подобрать набивку необходимого сечения (S) исходя из размера сальниковой камеры:
S=(D-d)/2
D - диаметр сальниковой камеры;
d - диаметр шпинделя.
4.2. Длину заготовки для набивочных колец можно определить по формуле (см. Рис. ):
 
                                              Рис.
 
L= (d + S) × π × 1.07;
где d - диаметр шпинделя (штока), мм;
S - размер набивки, мм;
4.3. Возможно применение намоточного метода нарезки колец. Для этого шнур набивки плотно наматывают на вспомогательную втулку диаметром, равным диаметру патрубка, и разрезают на кольца.
4.4. Кольца должны отрезаться по возможности под углом 45°. При этом вырезается точно отрезок для первого кольца и используется далее как шаблон для нарезки последующих колец.
4.5. Смазка колец какими-либо составами перед установкой, при установке не допускается.
5. ПОРЯДОК СБОРКИ САЛЬНИКОВЫХ УЗЛОВ.
5.1. Для обеспечения герметичности рекомендуется использование комбинированного сальникового пакета, состоящего из 2 колец набивки НУ-201 (УНФ) (первого и последнего) и не менее 3-х колец набивки НГ-200 (НГ-Н) между ними. В данном случае отпадает необходимость в использовании дополнительных манжет для предотвращения выдавливания набивки в зазоры.
5.1. Кольца устанавливаются в камеру по одному со смещением разрезов на 90°, например: 0°, 90°, 180°, 270° и т.д.
5.2. Для обеспечения герметизации первоначально весь пакет колец обжимается грундбуксой на величину 30-40% от величины пакета
Изменение высоты пакета ?Н:
- окончательное ?Н = 0,3÷0,4 Н0
где Н0 - начальная высота пакета
ВНИМАНИЕ: при затяжке перекос грундбуксы не допускается.

Монтаж и эксплуатация компенсаторов

1. Компенсаторы  должны устанавливаться и вводится в эксплуатацию подготовленным, опытным персоналом в соответствии с настоящей инструкцией, конструкторской и нормативно-технической документацией на монтаж трубопроводов разработанной проектной организацией.
2. На период транспортирования к месту монтажа и в период монтажа должны быть приняты меры исключающие повреждения компенсаторов.
Хранение компенсаторов на открытых площадках без защитных кожухов или футляров запрещается.
3. При монтаже компенсаторов  должны соблюдаться нормы и требования безопасности  действующие, действующие на объектах применения.
4. Перед монтажом необходимо полностью удалить упаковку и провести осмотр компенсаторов  на предмет выявления возможных повреждений в следствии транспортировки и хранения.
5. В период монтажа и эксплуатации не допускается нагружение компенсаторов моментом или силами от массы присоединяемых конструкций.
6. При выполнение сварочных работ компенсаторы должны быть защищены от попадания частиц раскаленного металла. Не допускается прохождение электрического тока через сильфонные компенсаторы в процессе сварки трубопровода.
7. Каждый компенсируемый участок трубопровода должен быть ограничен неподвижными опорами. Неподвижные опоры необходимо выбирать исходя из максимально действующих сил и моментов. Расстояние между скользящими опорами и компенсатором должно быть равно (1,5-2) диаметра условного прохода DN. Рассчитывать и подбирать опоры необходимо соответствующих размеров для предотвращения зажимов.
8. При сборке компенсаторов с конструкциями, допускаемые величины монтажного сдвига и непараллельности соединения не должны превышать значений установленных нормативно-технической документацией для трубопроводов объекта применения. Сжатие (растяжение) изделий не должно превышать 5 мм для DN до 500 мм. и 10 мм. для DN более 500 мм., если другие требования не предусмотрены монтажными чертежами. Натяжные и другие монтажные устройства в состав поставки не входят.
9. Транспортные стяжки, болты, шпильки должны быть удалены после завершения установки компенсаторов.
10.  При выполнение изоляционных работ необходимо обеспечить возможность перемещения патрубков компенсаторов на максимальную величину осевого хода.
11. При наземной, канальной, без канальной прокладке трубопровода, компенсаторы должны быть установлены в защитные кожуха.
12. Испытание давлением и проверку на герметичность следует проводить после установки опор трубопровода. При эксплуатации необходимо избегать скачков давления в системе и превышения эксплуатационных параметров.